The venerable Voyager 1 spacecraft is experiencing another glitch. Instead of sending science and engg. data, it is sending a 0101 bit pattern.
The problem has been narrowed down to the flight data system (FDS), which is not communicating properly with the telecom unit (TMU). A reboot did not help.
Stay tuned as NASA engrs work out a fix for this 1970's era computer, which has performed magnificently during its long 46-year journey to the planets and to outer space.
blogs.nasa.gov/sunspot/
1/n
This entry was edited (1 year ago)
AkaSci 🛰️
in reply to AkaSci 🛰️ • • •The two Voyager spacecraft, launched on Sept 5, 1977 and Aug 20, 1977, have been traveling in space for over 46 years.
Voyager 1 is farther away from earth at 24.3 mil km (22.5 light hours), while V2 is 20.3 mil km away, located below the ecliptic. Both spacecraft are in interstellar space.
Here are the locations and some vital stats on the two Voyager spacecraft.
You can follow the real-time status of Voyager at voyager.jpl.nasa.gov/mission/s…
Graphic source: nasa.gov/solar-system/nasas-ne…
#Voyager
2/n
NASA’s New Horizons Reaches a Rare Space Milestone - NASA
Tricia Talbert (NASA)AkaSci 🛰️
in reply to AkaSci 🛰️ • • •Voyager's computer systems were custom-built using 1960s technology, with clock speeds measured in KHz and RAM in kbytes, running hand-crafted software, crammed into 4K of 18-bit wide plated-wire memory (similar to but better than core mem).
And yes, it uses digital 8-track tape for storage.
The custom-designed hardware, (upgraded) software and instruments are mostly still functioning after 46 years in space!
history.nasa.gov/computers/Ch6…
hackaday.com/2018/11/29/inters…
@NSFVoyager2
#Voyager
3/n
Interstellar 8-Track: The Not-So-Low-Tech Data Recorders Of Voyager
HackadayAkaSci 🛰️
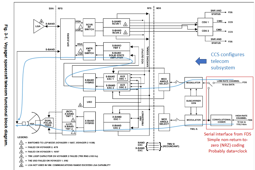
in reply to AkaSci 🛰️ • • •This schematic of the Voyager telecom system shows that the FDS sends data to the comm system over 2 serial interfaces - a low rate 10 b/s interface routed to the S-band transmitter and a variable rate 10 - 115.2 kb/s interface whose bits are sent via X or S band.
Also, from the 2 diagrams (this post and post #1), the outer coding (Reed-Solomon) is done in software!
What do you think might cause the data to be stuck not at 0 or 1 but at 0101?
descanso.jpl.nasa.gov/DPSummar…
@destevez
#Voyager
4/n
AkaSci 🛰️
in reply to AkaSci 🛰️ • • •fosstodon.org/@AkaSci/11083140…
#Voyager
5/n
AkaSci 🛰️ (@AkaSci@fosstodon.org)
FosstodonAkaSci 🛰️
in reply to AkaSci 🛰️ • • •Richard Stephenson of DSN Canberra explains on twitter how NASA verified that the uplink is working.
They sent a command to Voyager 1 to switch between non-coherent mode and coherent mode transmission.
In coherent mode, the Transmission clock is derived from the Rx signal instead of from the AUX oscillator. This changes the Tx RF frequency a bit which was detected at the DSN.
science.nasa.gov/learn/basics-…
descanso.jpl.nasa.gov/DPSummar…
#Voyager
6/n
Chapter 10: Telecom
science.nasa.govAkaSci 🛰️
in reply to AkaSci 🛰️ • • •In the blog post at blogs.nasa.gov/sunspot/, Voyager engineers point out the difficulty in diagnosing problems and crafting solutions for a spacecraft with a signal round-trip-time of almost 2 days and hardware/software developed over 46 years ago using technology long since obsolete.
"Finding solutions to challenges the probes encounter often entails consulting original, decades-old documents written by engineers who didn’t anticipate the issues that are arising today."
#Voyager
7/n
The Sun Spot
blogs.nasa.govAkaSci 🛰️
in reply to AkaSci 🛰️ • • •NASA DSN in Goldstone, CA is currently receiving the downlink from Voyager 1 at a reduced rate of 40 bps. No uplink at this moment.
Apparently, Voyager 1 switched data rate (160 -> 40 bps) & did a full memory read-out of her Attitude and Articulation Control Subsystem, Flight Data Subsystem, and Command Computer Subsystems A&B.
Transmission time = 6 hours
Download size = ~108 kBytes
Here's hoping that the received data is not 0101... 🤞
eyes.nasa.gov/dsn/dsn.html
#Voyager
8/n
Deep Space Network Now
Deep Space Network NowAkaSci 🛰️
in reply to AkaSci 🛰️ • • •A similar but not identical problem afflicted Voyager 2 in 2010. Received science data (but not engg data?) was garbled.
The problem was traced to a flipped bit in the program stored in the FDS. A command was sent to flip the bit.
The issue was diagnosed by downloading a full memory image, which implies that engg data download was working.
This is probably what was done today with Voyager 1 today. Hopefully, it is a similar problem.
voyager.jpl.nasa.gov/news/deta…
@destevez
#Voyager
9/n
Voyager - Engineers Diagnosing Voyager 2 Data System
voyager.jpl.nasa.govAkaSci 🛰️
in reply to AkaSci 🛰️ • • •NASA did not provide a date but it looks like this issue was discovered and acted upon on Dec 7 or 8.
The graphic below shows the schedule for Voyager 1 comms via DSN, generated on Dec 7. Normally, the downlink rate is 160 bps. On Dec 8, it was switched to 40 bps. And again on Dec 10. Some special commands for the FDS were also sent.
Since then, the D/L rate has been switched between 160 bps and 40 bps a few times with additional FDS commands uploaded.
voyager.jpl.nasa.gov/pdf/sfos2…
#Voyager
10/n
AkaSci 🛰️
in reply to AkaSci 🛰️ • • •Two-way comms happening now between Voyager 1 and NASA DSN Canberra.
Of course, the results of the uplink commands will arrive 45 hours from now. The data arriving now left Voyager 1 22.5 hours ago.
Downlink rate is the lower 40 bps rate.
The DSN schedule for Voyager 1 shown below was modified and published yesterday.
Here's hoping that Voyager engineers are getting closer to a solution 🤞
eyes.nasa.gov/dsn/dsn.html
voyager.jpl.nasa.gov/pdf/sfos2…
#Voyager
11/n
Deep Space Network Now
Deep Space Network NowAkaSci 🛰️
in reply to AkaSci 🛰️ • • •NASA JPL provided a minor update today about the status of the Voyager 1 spacecraft, indicating that the comm. problem that started more than 2 months ago has not been resolved yet. No other details.
Please check out the rest of this thread for more info on the problem where instead of sending science and engg. data, Voyager 1 has been stuck sending a 0101 bit pattern.
@NSFVoyager2
#Voyager
12/n
AkaSci 🛰️
in reply to AkaSci 🛰️ • • •No new info on the status of the Voyager 1 spacecraft, which since Sep 2023 has been sending a 1010 bit pattern instead of real data.
Several popular science outfits have been covering it lately. A bit flip in the FDS is suspected, but it is difficult to identify since the memory cannot be read back.
Several commands were sent yesterday to Voyager 1; responses will arrive 45 hours later tomorrow.
Wonder why they cannot overwrite all prog and data memory.
arstechnica.com/space/2024/02/…
#Space
13/n
Humanity’s most distant space probe jeopardized by computer glitch
Ars TechnicaAkaSci 🛰️
in reply to AkaSci 🛰️ • • •Good news from the Voyager 1 spacecraft that has been stuck sending a 0101 pattern since Nov 2023.
The team has long suspected the root cause to be a corrupted area of memory in the FDS computer. On Mar 1, they sent some commands to make the FDS skip around sections of memory. The data stream rcvd 45 hours later looked different and was decoded to contain a read-out of the entire FDS memory!
Hopefully, they can now identify and fix the offending memory words.
🤞
blogs.nasa.gov/sunspot/
14/n
The Sun Spot
blogs.nasa.govAkaSci 🛰️
in reply to AkaSci 🛰️ • • •Voyager is not out of the woods yet, but the lesson for all of us is to never ever give up.
Here is the schedule for comms with Voyager 1 via NASA DSN this weekend. Some new commands will be sent on Friday, with responses expected 45 hours later on Sunday.
voyager.jpl.nasa.gov/pdf/sfos2…
15/n
AkaSci 🛰️
in reply to AkaSci 🛰️ • • •Some tech. info on the Voyager FDS computer –
- There was a backup FDS unit but it failed in 1981.
- Custom CMOS CPU - 36 instructions. 80 KIPS, 115 kbps data rate.
- 128 registers, kept in memory.
- CMOS memory, a first in space, 8KB.
- No separate memory for program storage vs execution. The CMOS memory is non-volatile kept powered on by the RTG.
- DMA access to memory by hardware. Instead of “cycle-stealing”, the instructions indicated cycles where DMA can occur.
ntrs.nasa.gov/api/citations/19…
16/n
AkaSci 🛰️
in reply to AkaSci 🛰️ • • •Status update on the Voyager 1 spacecraft which has been sending a 0101 pattern since Nov 2023.
The problem seems to be a failed memory part in the FDS computer; engineers are planning to move ~200 words of software from one region to another, according to Joseph Westlake, director of NASA’s heliophysics division, who was speaking at a March 20 meeting of the National Academies’ Committee on Solar and Space Physics.
Westlake sounded very optimistic.
👍
nationalacademies.org/document…
17/n
AkaSci 🛰️
in reply to AkaSci 🛰️ • • •It looks like the Voyager team is preparing for a new "memory upload" to the FDS computer on Friday, as evident from the DSN schedule and instructions shown below for Voyager 1.
I am guessing that this is to rearrange the software so that it no longer uses the locations in the faulty memory chip in the FDS. If true, then hopefully we will hear Voyager 1's true voice on Sunday, 45 hours later. OTOH, this may be just one of many steps on the road to recovery.
🤞
voyager.jpl.nasa.gov/pdf/sfos2…
18/n
AkaSci 🛰️
in reply to AkaSci 🛰️ • • •Looks like the "memory upload" to the Flight Data Subsystem (FDS) on Voyager 1 is taking place at this time from the NASA DSN site in Canberra.
Go Voyager!
eyes.nasa.gov/dsn/dsn.html
en.wikipedia.org/wiki/Canberra…
19/n
Deep Space Network Now
Deep Space Network NowAkaSci 🛰️
in reply to AkaSci 🛰️ • • •It's been 6 hours since the "memory upload" data was transmitted to Voyager 1 from the NASA DSN site in Canberra.
During that time, the signal has traveled about a quarter of the way to Voyager 1, about the average distance to Pluto. The response will arrive at earth on Sunday around 1500 UTC (RTT = 45 hours).
Let's imagine a spacecraft sent to the nearest star Proxima Centauri, 4.2 light-years away. How would we diagnose problems and upload new software to it?
eyes.nasa.gov/apps/solar-syste…
20/n
Eyes on the Solar System - NASA/JPL
Eyes on the Solar System - NASA/JPLAkaSci 🛰️
in reply to AkaSci 🛰️ • • •All eyes and ears on Voyager 1 as data is being downloaded from it in response to the "memory upload" commands and data sent 45 hours ago.
The DSN Goldstone 70m antenna is receiving data now at 40 bits/s.
Hopefully, the problem with its transmission being stuck at 0101 has been fixed. We will find out this week ...
🤞
eyes.nasa.gov/dsn/dsn.html
21/n
Deep Space Network Now
Deep Space Network NowAkaSci 🛰️
in reply to AkaSci 🛰️ • • •NASA Voyager twitter site confirming that Friday's memory upload was intended as a fix for the Voyager 1 transmission problem caused by the failed memory chip in the FDS computer.
"Sister @NASAVoyager's reply to Friday's upload should b arriving now @ Goldstone's 70m antenna DSS-14, hopefully confirming that the Flight Data Subsystem memory update was successful. If so, telemetry should now give clearly interpretable signals with science & engineering data!"
22/n
AkaSci 🛰️
in reply to AkaSci 🛰️ • • •Great news on Voyager 1.
Richard Stephenson of DSN Canberra reports that engineering data was being received from Voyager 1 last night at 40 bps.
No science data yet, perhaps because they did not switch to the higher 160 bps rate, but this is a major step towards recovery and validates the diagnosis (failed memory chip in the FDS computer) and fix (rearrange software to bypass the failed memory area).
Now waiting for a status update from NASA.
23/n
AkaSci 🛰️
in reply to AkaSci 🛰️ • • •Minor update from the NASA Voyager 1 team -
- Confirmation that the problem is due to a faulty memory chip, which affects about 3% of the FDS memory. We have known about this diagnosis since March 27 but if was not officially announced until today.
- No info on the recent report that engg data was received last Sunday.
- "It may take weeks or months" to fix the problem so that Voyager 1 can operate normally without the unusable memory hardware.
blogs.nasa.gov/voyager/2024/04…
24/n
Engineers Pinpoint Cause of Voyager 1 Issue, Are Working on Solution - Voyager
Naomi Hartono (Empty Test)AkaSci 🛰️
in reply to AkaSci 🛰️ • • •The DSN schedule for Voyager 1 next week shows commands to be sent on Tuesday to relocate some FDS code around "VIM5". Presumably, VIM5 is a memory module.
Additional uploads will take place on Thursday.
So, there is still work that lies ahead to rearrange the code around the failed memory chip. And we suppose, it has to be done incrementally and meticulously so as to not accidentally brick the FDS computer.
voyager.jpl.nasa.gov/pdf/sfos2…
25/n
AkaSci 🛰️
in reply to AkaSci 🛰️ • • •The Voyager 1 team sent some more commands today to the spacecraft to relocate code around the failed memory area in the FDS computer. The command will reach Voyager 1 tomorrow, 22.5 hours later; we will know the results on Saturday.
🤞
The tweet from the Voyager team indicates that the software being relocated is the "program for proper encoding and compression of engineering data (EL-40)."
Would an analogy of replacing spark plugs on a running car be accurate?
voyager.jpl.nasa.gov/pdf/sfos2…
26/n
AkaSci 🛰️
in reply to AkaSci 🛰️ • • •The NASA DSN site in Canberra is currently receiving data from the Voyager 1 spacecraft. The data will ascertain whether the commands sent on Thu to relocate code around the failed memory area in the FDS computer, worked as expected or not.
Some additional commands are scheduled to be sent today contingent on the results, although the uplink is active now.
Here's hoping that we get good engineering and science data from Voyager 1 today 🤞
eyes.nasa.gov/dsn/dsn.html
voyager.jpl.nasa.gov/mission/s…
26/n
Deep Space Network Now
Deep Space Network NowAkaSci 🛰️
in reply to AkaSci 🛰️ • • •Hallelujah! And Congrats all around.
JPL just announced that engineering data was successfully received from the Voyager 1 spacecraft on Saturday April 20, the first time since Nov 2023.
The commands sent on Thu to relocate some code around the failed memory chip in the FDS worked as expected.
Science data is not being received yet; it will require relocation of some more code in the sparse free memory areas in the FDS.
(Engg data = spacecraft health data)
jpl.nasa.gov/news/nasas-voyage…
27/n
NASA’s Voyager 1 Resumes Sending Engineering Updates to Earth
NASA Jet Propulsion Laboratory (JPL)AkaSci 🛰️
in reply to AkaSci 🛰️ • • •DSN in Canberra should be receiving a full memory read-out of the Voyager 1 FDS computer as we speak. This will help with the planning for further code relocations to enable transmission of science data soon.
eyes.nasa.gov/dsn/dsn.html
28/n
Deep Space Network Now
Deep Space Network NowAkaSci 🛰️
in reply to AkaSci 🛰️ • • •Six months after it suffered a serious brain injury and after months of mind-boggling ultra-long-distance surgery, the Voyager 1 spacecraft walked and talked at full data rate today!
After transmitting a full memory readout on Friday at 40 bps, Voyager 1 switched to the science-mode 160 bps rate, which presumably the DSN site at Goldstone was able to receive and decode today.
Congrats and kudos to all who made it happen.
👏
eyes.nasa.gov/dsn/dsn.html
29/n
Deep Space Network Now
Deep Space Network NowAkaSci 🛰️
in reply to AkaSci 🛰️ • • •For those curious about the downlink data rates used by Voyager, it uses 40 bps for engg. data and 160 bps for science data. It requires use of the 70m antenna at the 3 DSN sites. A 1.4 kbps rate is supported with 5 arrayed antennas at Madrid.
Voyager 1 is 24 billion km away. Tx power = 23W. Rx power = -160 dBm (1e-19 watts). A WiFi signal is > 10 billion times stronger!
Earlier data rates (kbps) for V2:
From Jupiter: 115.2
Saturn: 44.8
Uranus: 29.9
Neptune: 21.6
descanso.jpl.nasa.gov/DPSummar…
30/n